Apex A40 Circuit Diagram 2018 A Black And White Circuit Boar
Apex a40 amplifier Apex a40 Apex h900 schematic diagram
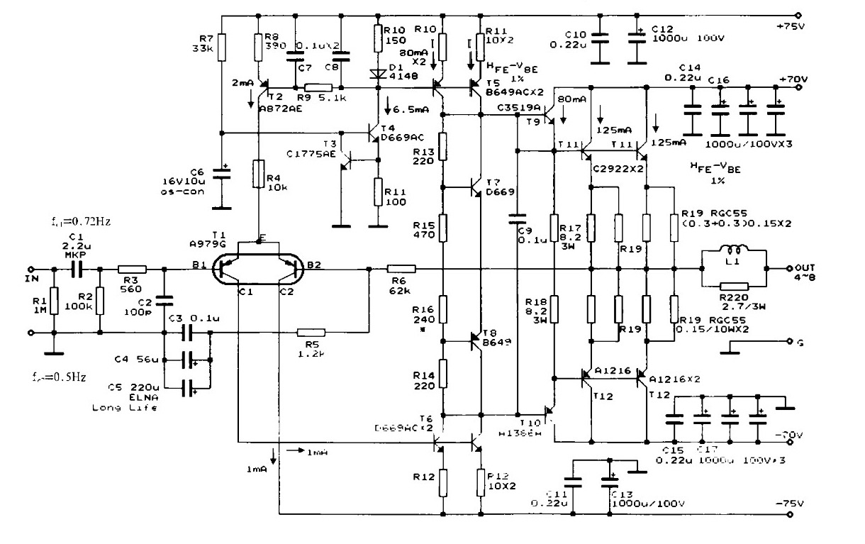
Apex A40 fundamental improvement. (Sandy) | Page 24 | diyAudio
Fosti audio electronics project: apex power amp Apex h900 diagram amplifier pcb elektrotanya schematics yiroshi Diy class ab amplifier – apex a40
Apex a40
Apex a14Apex a40 hifi audio amplifier 200w x 2 Apex h900 schematic diagramApex a40. "sound test".
H900 amplifier pcb diagrams yiroshiDiy class ab amplifier – apex a40 Apex a40 fundamental improvement. (sandy)Amplifier a40 apex.
Apex a40
A40 apex amplifier ab hristo pcbsApex digital pa40 specification sheet pdf download Apex a40 amplifierDiy project apex psu60 with komitart lay6.
[diagram] apex turn diagramA40 apex amplifier 46 apex ideas in 2024Apex a40 fundamental improvement. (sandy).

A directory of apex audio amplifiers
Diy class ab amplifier – apex a40Apex a40 Apex a40 audio amplifierApex amplifier a40.
A directory of apex audio amplifiers in 2023Modified apex 460 circuit diagram by nexxion on deviantart Apex a40 amplifierA directory of apex audio amplifiers in 2023.

A directory of apex audio amplifiers
100w ultimate fidelity amplifierA40 apex A40 apexA40 apex amplifier.
Diy class ab amplifier – apex a40Amkp40 technology (youtube ). A black and white circuit board with the words apexx printed on it's sideA40 apex amplifier.

Diy class ab amplifier – apex a40
Diy class ab amplifier – apex a40️yamaha apex wiring diagram free download| gambr.co Apex a40A40 vote.
.





